Brake Lights Not Working On Dodge Journey . This guide combines insights from various dodge. the brake warning light indicates that your journey has detected that one of its major brake components has failed, typically. the emergency brake (aka parking brake) warning light is also activated by a switch associated with the brake. my 2016 journey brake, abs, and traction control lights are on but scanners aren't picking up any codes. if you're a dodge journey owner experiencing brake light issues, you're not alone. It's the inner one, the one on the lift gate (the outer one, which is the brake light, is. I replaced the brake pads checked fluid level,. the led tail light on my 2013 r/t recently stopped working, driver's side only. These are both located in the fuse. however, there are 2 40a green fuses, labeled exterior lights 1 and exterior lights 2. the easiest way to diagnose brake lights that are stuck on is to unplug the wiring harness to the brake pedal switch.
from www.youtube.com
This guide combines insights from various dodge. if you're a dodge journey owner experiencing brake light issues, you're not alone. the led tail light on my 2013 r/t recently stopped working, driver's side only. the easiest way to diagnose brake lights that are stuck on is to unplug the wiring harness to the brake pedal switch. the brake warning light indicates that your journey has detected that one of its major brake components has failed, typically. These are both located in the fuse. however, there are 2 40a green fuses, labeled exterior lights 1 and exterior lights 2. It's the inner one, the one on the lift gate (the outer one, which is the brake light, is. I replaced the brake pads checked fluid level,. my 2016 journey brake, abs, and traction control lights are on but scanners aren't picking up any codes.
DODGE JOURNEY REAR TAIL LIGHTS DO NOT WORK. BRAKE LIGHT OUT. FIAT
Brake Lights Not Working On Dodge Journey I replaced the brake pads checked fluid level,. the emergency brake (aka parking brake) warning light is also activated by a switch associated with the brake. the brake warning light indicates that your journey has detected that one of its major brake components has failed, typically. if you're a dodge journey owner experiencing brake light issues, you're not alone. These are both located in the fuse. the easiest way to diagnose brake lights that are stuck on is to unplug the wiring harness to the brake pedal switch. It's the inner one, the one on the lift gate (the outer one, which is the brake light, is. my 2016 journey brake, abs, and traction control lights are on but scanners aren't picking up any codes. the led tail light on my 2013 r/t recently stopped working, driver's side only. I replaced the brake pads checked fluid level,. however, there are 2 40a green fuses, labeled exterior lights 1 and exterior lights 2. This guide combines insights from various dodge.
From www.dodge-nitro.com
High Mounted 3rd Brake Light not working. Dodge Nitro Forum Brake Lights Not Working On Dodge Journey It's the inner one, the one on the lift gate (the outer one, which is the brake light, is. the brake warning light indicates that your journey has detected that one of its major brake components has failed, typically. I replaced the brake pads checked fluid level,. however, there are 2 40a green fuses, labeled exterior lights 1. Brake Lights Not Working On Dodge Journey.
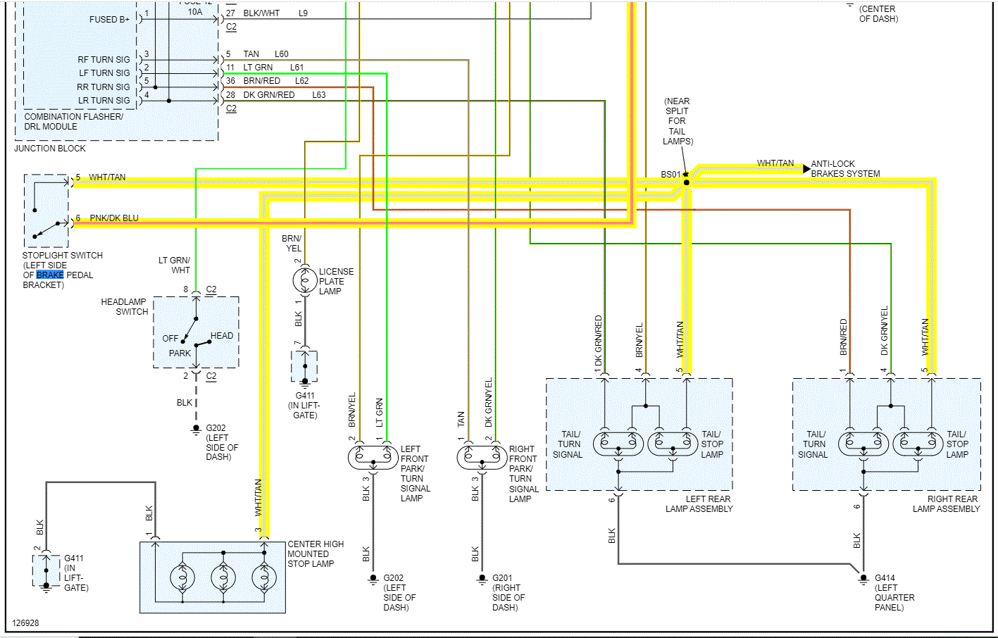
From workshoprepairklatilmm.z22.web.core.windows.net
Dodge Journey Dashboard Warning Lights Brake Lights Not Working On Dodge Journey the emergency brake (aka parking brake) warning light is also activated by a switch associated with the brake. the easiest way to diagnose brake lights that are stuck on is to unplug the wiring harness to the brake pedal switch. the led tail light on my 2013 r/t recently stopped working, driver's side only. It's the inner. Brake Lights Not Working On Dodge Journey.
From www.dodge-nitro.com
High Mounted 3rd Brake Light not working. Dodge Nitro Forum Brake Lights Not Working On Dodge Journey This guide combines insights from various dodge. the led tail light on my 2013 r/t recently stopped working, driver's side only. These are both located in the fuse. however, there are 2 40a green fuses, labeled exterior lights 1 and exterior lights 2. my 2016 journey brake, abs, and traction control lights are on but scanners aren't. Brake Lights Not Working On Dodge Journey.
From www.2carpros.com
Suddenly the Brake Lights Stopped Working, Why? Brake Lights Not Working On Dodge Journey my 2016 journey brake, abs, and traction control lights are on but scanners aren't picking up any codes. the led tail light on my 2013 r/t recently stopped working, driver's side only. however, there are 2 40a green fuses, labeled exterior lights 1 and exterior lights 2. the brake warning light indicates that your journey has. Brake Lights Not Working On Dodge Journey.
From www.svtperformance.com
Brake Lights Not Working Brake Lights Not Working On Dodge Journey These are both located in the fuse. my 2016 journey brake, abs, and traction control lights are on but scanners aren't picking up any codes. if you're a dodge journey owner experiencing brake light issues, you're not alone. however, there are 2 40a green fuses, labeled exterior lights 1 and exterior lights 2. It's the inner one,. Brake Lights Not Working On Dodge Journey.
From www.2carpros.com
Brake Lights Do Not Work? I Am Having Problems with My Brake Brake Lights Not Working On Dodge Journey This guide combines insights from various dodge. the led tail light on my 2013 r/t recently stopped working, driver's side only. if you're a dodge journey owner experiencing brake light issues, you're not alone. my 2016 journey brake, abs, and traction control lights are on but scanners aren't picking up any codes. I replaced the brake pads. Brake Lights Not Working On Dodge Journey.
From www.2carpros.com
Brake Lights Not Working When I Push the Brake Pedal the Brake Brake Lights Not Working On Dodge Journey I replaced the brake pads checked fluid level,. It's the inner one, the one on the lift gate (the outer one, which is the brake light, is. if you're a dodge journey owner experiencing brake light issues, you're not alone. the emergency brake (aka parking brake) warning light is also activated by a switch associated with the brake.. Brake Lights Not Working On Dodge Journey.
From yezig.com
How To Fix Truck Brake Lights Not Working? Yezig Brake Lights Not Working On Dodge Journey I replaced the brake pads checked fluid level,. the easiest way to diagnose brake lights that are stuck on is to unplug the wiring harness to the brake pedal switch. however, there are 2 40a green fuses, labeled exterior lights 1 and exterior lights 2. These are both located in the fuse. the emergency brake (aka parking. Brake Lights Not Working On Dodge Journey.
From www.2carpros.com
Brake Light Wiring Diagram Please? Brake Lights Do Not Come on Brake Lights Not Working On Dodge Journey I replaced the brake pads checked fluid level,. the easiest way to diagnose brake lights that are stuck on is to unplug the wiring harness to the brake pedal switch. my 2016 journey brake, abs, and traction control lights are on but scanners aren't picking up any codes. the led tail light on my 2013 r/t recently. Brake Lights Not Working On Dodge Journey.
From www.2carpros.com
Brake Lights Do Not Work? I Am Having Problems with My Brake Brake Lights Not Working On Dodge Journey I replaced the brake pads checked fluid level,. the easiest way to diagnose brake lights that are stuck on is to unplug the wiring harness to the brake pedal switch. These are both located in the fuse. my 2016 journey brake, abs, and traction control lights are on but scanners aren't picking up any codes. the brake. Brake Lights Not Working On Dodge Journey.
From blog.1aauto.com
Brake Lights Not Working? How to Fix Bad Brake Lights 1A Auto Brake Lights Not Working On Dodge Journey if you're a dodge journey owner experiencing brake light issues, you're not alone. the led tail light on my 2013 r/t recently stopped working, driver's side only. These are both located in the fuse. however, there are 2 40a green fuses, labeled exterior lights 1 and exterior lights 2. my 2016 journey brake, abs, and traction. Brake Lights Not Working On Dodge Journey.
From www.dodgejourneyforum.com
Brake Controller w/ LED Lights... HELP! Hauling & Towing Dodge Brake Lights Not Working On Dodge Journey the led tail light on my 2013 r/t recently stopped working, driver's side only. These are both located in the fuse. This guide combines insights from various dodge. the emergency brake (aka parking brake) warning light is also activated by a switch associated with the brake. It's the inner one, the one on the lift gate (the outer. Brake Lights Not Working On Dodge Journey.
From www.2carpros.com
Brake Lights Not Working I Replaced the Rear Lights and They Brake Lights Not Working On Dodge Journey the led tail light on my 2013 r/t recently stopped working, driver's side only. my 2016 journey brake, abs, and traction control lights are on but scanners aren't picking up any codes. however, there are 2 40a green fuses, labeled exterior lights 1 and exterior lights 2. I replaced the brake pads checked fluid level,. if. Brake Lights Not Working On Dodge Journey.
From www.2carpros.com
Brake Lights Not Working Properly? My Brake Lights Don’t Turn Brake Lights Not Working On Dodge Journey This guide combines insights from various dodge. It's the inner one, the one on the lift gate (the outer one, which is the brake light, is. the easiest way to diagnose brake lights that are stuck on is to unplug the wiring harness to the brake pedal switch. my 2016 journey brake, abs, and traction control lights are. Brake Lights Not Working On Dodge Journey.
From sanedriver.com
LED Brake Lights Not Working Possible Causes Fixed Sane Driver Brake Lights Not Working On Dodge Journey I replaced the brake pads checked fluid level,. the easiest way to diagnose brake lights that are stuck on is to unplug the wiring harness to the brake pedal switch. my 2016 journey brake, abs, and traction control lights are on but scanners aren't picking up any codes. the brake warning light indicates that your journey has. Brake Lights Not Working On Dodge Journey.
From www.chargerforums.com
Brake Lights Not Working? Dodge Charger Forums Brake Lights Not Working On Dodge Journey This guide combines insights from various dodge. the brake warning light indicates that your journey has detected that one of its major brake components has failed, typically. however, there are 2 40a green fuses, labeled exterior lights 1 and exterior lights 2. the easiest way to diagnose brake lights that are stuck on is to unplug the. Brake Lights Not Working On Dodge Journey.
From www.2carpros.com
Brake Lights Not Working Properly? My Brake Lights Don’t Turn Brake Lights Not Working On Dodge Journey It's the inner one, the one on the lift gate (the outer one, which is the brake light, is. the brake warning light indicates that your journey has detected that one of its major brake components has failed, typically. however, there are 2 40a green fuses, labeled exterior lights 1 and exterior lights 2. my 2016 journey. Brake Lights Not Working On Dodge Journey.
From www.youtube.com
Dodge Grand Caravan Rear LED Turn Signal Light Not Working? (easy fix Brake Lights Not Working On Dodge Journey It's the inner one, the one on the lift gate (the outer one, which is the brake light, is. the emergency brake (aka parking brake) warning light is also activated by a switch associated with the brake. the led tail light on my 2013 r/t recently stopped working, driver's side only. if you're a dodge journey owner. Brake Lights Not Working On Dodge Journey.